- Fixed some bugs on IR_Tx.hex
- Increased Accuracy
This is a general purpose remote control project with 16 channels and using PIC16F628 for transmitter & 12F683 for receiver side. Remote controls usually consist of encoder/decoder parts connected to a transmitter/receiver module which takes care of the transmission of digital signals by radio or infra waves.The transmitter has a varying number of buttons and sends the states of these inputs to the receiver. The receiver device decodes the message and sets the outputs accordingly. To get individual out put from receiver you need to connect 4 to 16 decoder like CD4067, 74HS154 etc or you can use another programming ic. Receiver has two versions. chose better one for your task.
I used Proteus 8 for designing. so if you are already used older version, it is not supported to open this files. All the files can be download from below.
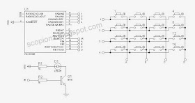
Transmitter Circuit
The TX use 16 pin PIC devices, PIC16F628A is the main part of the transmitter run at 4 MHz crystal. Actually, this device has 4MHz RC internal oscillator but not suitable for use with the project that need critical time as remote control. This ic used to send IR command to receiver. It also generate 38KHz carrier frequency and information bit.You can use 2xAA size batteries or CR2016 battery or 5v for the circuit. For saving power when use with battery powered we need to increased battery life. Therefore when any keys not pressed within 30 seconds the CPU go to SLEEP mode to reduce battery power consumption and wake-up only when any key pressed. To wake-up the CPU from SLEEP mode the CPU use interrupt on change feature which interrupted when the state on PORTB change, then the program execution after an interrupt is at the interrupt vector, if the global interrupt is not enabled, the program starts executing the first line of code right after the SLEEP instruction.In the interrupt service routine the software will scan the key that pressed and send IR command appropriate with key pressed.
![]() |
| Schematic of Transmitter |
Receiver Circuit
The receiver used low cost 8 pin PIC16F683 to control all function of receiver side. The IR was received from TX will demodulated by this ic. When power is applied to circuit the CPU will polling the IR input signal which is the output from IR decoder module (TSOP1736). After IR received the CPU decoding the IR command and then turn on/off appropriate channel.Ex:
If press 1 on TX then RX out put will be A=1, B=0, C=0, D=0
If press 2 on TX then RX out put will be A=0, B=1, C=0, D=0
If press 16 on TX then RX out put will be A=1, B=1, C=1, D=1
For IR decoder module alternatively you can used TSOP48XX series or any common module.
Connect 4 to 16 decoder with A, B, C and D to get all the out puts.
Supply voltage is 5v (Max).
![]() |
| Schematic of Receiver |
| Pin Connection |



No comments:
Post a Comment